Rádia pro aftermarket, některá jsou dodávána s ovládacími kabely na volantu, které lze naprogramovat v aftermarket HU. Je to modul BMC nebo samotné tovární rádio nebo svazek sloupku volantu. Myslíte si, že tyhle dva dráty zaháknu. Díky, Todde
SPONZOROVANÉ ODKAZY
máte stejný problém?
Neděle 15. ledna 2023 VE 7:16
Odpovědi 5
- MECHANIK
- 12,728 SLOUPKY
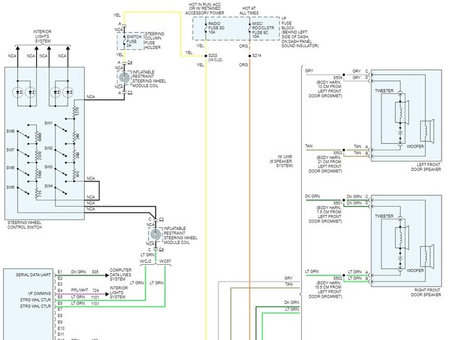
Co je to za rádio? Bez znalosti toho, co vyžadují klíč1 a dva, nelze na otázku odpovědět. Jsou například pro spínané napájení nebo pro programování? Tovární ovládací prvky řízení procházejí hodinovou pružinou až k samotnému rádiu. Používají různé odpory pro každou funkci, jak ukazuje schéma zapojení. Pokyny k rádiu, které máte, by vám měly říci, zda jsou oba vstupy nebo k čemu je třeba se připojit.
Budete také potřebovat způsob, jak napájet anténní modul, pokud vůbec plánujete tuner používat.
Obrázky (kliknutím zvětšíte)


SPONZOROVANÉ ODKAZY
Pondělí 16. ledna 2023 V 3:18
BLACKHERO1997
Navíc 7palcový dvojitý din android je nainstalován v mém autě uvedeném výše bez problémů a vše funguje kromě ovládání na volantu!
Pondělí 16. ledna 2023 VE 4:22
- MECHANIK
- 12,728 SLOUPKY
Jakou značku a model má samotné rádio?
Pondělí 16. ledna 2023 VE 6:38
BLACKHERO1997
Reakosound, nyní je nainstalován v mém autě a funguje perfektně. Má pouze 1 vodič (klíč 1), který je třeba připojit k tlačítkům audiosystému na volantu. Doufám, že to dokážu zjistit, abych to mohl předat ostatním!
Obrázek (kliknutím zvětšíte)

Úterý 17. ledna 2023 V 5:37
- MECHANIK
- 12,728 SLOUPKY
To je jediná věc, kterou jsem našel, ukazuje něco o kabeláži toho sterea, vypadá to jako informace, které dodali s vaším? Je v textu něco, co říká, co dělají dráty? Jiný než jen klíč jedna a klíč dva? Ptám se proto, že v továrním systému používají ovládání napětí na tlačítkách na volantu. Jeden vodič (žlutý) je přiveden napětím přes pojistku spínače a výstupní vodič (světle zelený) je posílá do rádia. Ve spínačích jsou odpory, které pak v různých fázích snižují napětí, aby řekly rádiu, co má dělat, takže zvýšení hlasitosti může být 1 volt, zatímco snížení hlasitosti může být 3 volty. Bez znalosti toho, co očekávají na těchto klíčových drátech, je velmi možné poškodit rádio. V závislosti na možnostech tohoto vozu můžete mít pouze ovládání rádia na volantu, nebo může mít také ovládání teploty rádia a topení. Je vaše jen rádio? Pokud ano, pak může existovat způsob, jak připojit stereo a zprovoznit jej.
Případně odstraněním 2-ampérové pojistky, která napájí spínače z držáku sloupku řízení a poté připojením světle zeleného vodiče ke klíči 1 a následným přidáním vodiče ze žlutého vodiče, který vede od pojistky k hodinové pružině ve sloupku a připojením to do klíče 2. To by izolovalo ovládání na volantu a změnilo by je na pouhé odpory bez napájení. Informace o zapojení, které poskytují, však neříkají, zda vstupy používají napětí nebo odpor pro ovládání.
Šel jsem na stránky Reakosound a nemají tam nic o tomto problému. Možná můžete v dokumentech, které máte, najít nějaké kontaktní informace, které vám umožní kontaktovat společnost a zjistit, zda je řídicí vstup napětí nebo odpor? To je něco, co by skutečně mělo být v literatuře s jednotkou. Viděl jsem také, kde jiné podobné jednotky používají programovatelné rozhraní mezi ovládacími prvky a stereem. Nechtějte, abyste poškodili jednotku nebo v horším případě poškodili auto.
Obrázky (kliknutím zvětšíte)


SPONZOROVANÉ ODKAZY
Úterý 17. ledna 2023 V 10:39
Pro odeslání odpovědi se prosím přihlaste nebo zaregistrujte.
Související obsah volantu
Selhává čerpadlo řízení?
Ahoj. Mám Lesabre z roku 2001 a najeto zhruba 37000 6 mil. Koupil jsem ho použitý před XNUMX měsíci a neměl jsem žádné problémy, dokud ne.
Na otázku jwerts1981 ·
1994 Buick Lesabre Sloupek řízení
Problém řízení 1994 Buick Lesabre 6 Cyl Automatic Jak sundáte sloupek řízení na Buick Lesabre z roku 1994
Na otázku květiny ·
1990 Změny geometrie řízení Buick Lesabre
Dieter Schmied: Mám Buick Lesabre z roku 1990, který má problém s geometrií řízení, když jdu do zatáčky Auto se zachvěje.

Vodiče KEY1 a KEY2 se často nacházejí na tkalcovském stavu hlavní jednotky Android s malým nebo žádným vysvětlením, kam je připojit nebo k čemu slouží.
Máme odpovědi na následující:
- Potřebujete propojit KEY1&KEY2?
- Bude hlavní jednotka Android fungovat, pokud nepřipojíte vodiče KEY1 nebo KEY2?
- K čemu jsou KEY dráty?
- K čemu je vodič KYE označený na svazku vodičů?
- Kam připojíte KEY1 na hlavní jednotce Android?
Starší vozidla
KEY1, KEY2 a GND jsou staré ovládací linie ovládání volantu (SWC). SWC starého stylu jsou analogové a objevují se ve velmi starých autech a vozy se již nevyrábějí s tímto systémem. Ale analogový KEY1 KEY2 se stal standardem, který výrobci používají při připojení k hlavní jednotce Android. KEY1 KEY2 je univerzální a není vázán na konkrétního výrobce vozidla.
Moderní vozidla
Pokud máte moderní vozidlo s továrně namontovaným SWC, je pro převod digitálního systému na univerzální systém „KEY2, KEY1, GND“ vyžadován adaptér ve stylu ‚Connects2‘. Pokyny jsou dodávány s Connects2 a ukazují, jakým způsobem připojit vodiče KEY1 KEY2.

Nepoužíváte SWC (žádné připojení KEY1, KEY2)
Pokud nechcete používat žádné SWC, izolujte každý ze 3 vodičů (KEY1, KEY2 a KEY-GND) a zasuňte je za hlavní jednotku Android. Prosím, neodřezávejte je! SWC můžete přidat později; pokud budou vodiče neporušené, bude budoucí připojení mnohem snazší.
Aftermarket instalace SWC
Připojení je velmi jednoduché, pokud jste si zakoupili aftermarket SWC s hlavní jednotkou Android.
Toto je náš průvodce KEY1 KEY2 krok za krokem pro vás.
Potřebný čas: 10 minut

Pokud má vaše SWC DVA vodiče (např. červený a černý)
- Identifikujte kabel KEY 1 na hlavní jednotce Android Bývá označen KEY1, DVD, KYE1
- Spojte pomocí krimpování nebo pájky Připojte KEY1 hlavní jednotky Android k RED SWC
zkontrolujte a izolujte spoj - Identifikujte kabel SWC KEY-GND na hlavní jednotce Android Připojte KEY-GND hlavní jednotky Android k ČERNÉMU SWC
zkontrolujte a izolujte spoj - Identifikujte vodič KEY 2 na hlavní jednotce Android Nepřipojujte tento drát.
Izolujte to

Pokud má vaše SWC 3 vodiče (KEY1 a GND), třetí vodič je KEY2
Tip hlavní jednotky Android
Překlepy jsou běžné v čínských pokynech a můžete vidět KYE1 místo KEY1 nebo KYE2 pro KEY2 pro kabel hlavní jednotky Android. Znamenají totéž KYE=KEY. Můžete také vidět DVD1, DVD2 nebo jen DVD drát, to jsou také názvy pro KEY1 a KEY2
Úspěch s KEY1
Doufejme, že jste správně připojili KEY1 a někdy KEY2 k hlavní jednotce Android. To lze otestovat pomocí volantu, dálkového ovládání, aplikace SWC nebo nabídky nastavení. Dalším krokem je zjistit, zda je nutné nakonfigurovat každé tlačítko dálkového ovladače na nastavení na vaší hlavní jednotce Android. Společnými funkcemi jsou zvýšení a snížení hlasitosti na hlavní jednotce Android namapované na dvě výrazná tlačítka na páce. Vybrané ovládací prvky hlasitosti jsou často označeny VOL+ a VOL-, ale mohou být pouze + a -. Skvělá věc na párování SWC s KEY1 je, že můžete namapovat kterékoli tlačítko na SWC na kteroukoli možnost, kterou chcete na hlavní jednotce Android, což vám poskytuje vysokou úroveň flexibility při ovládání vašich zvuků.

Dlouhý stisk
K zahájení párování KEY1/KEY2 v aplikaci často stačí dlouhé stisknutí. Pokud konfigurace není zřejmá a nevíte, jak namapovat tlačítka, zkuste dlouze stisknout ikonu funkce, kterou chcete v aplikaci namapovat, a postupujte podle pokynů.
Žádná aplikace?
Pokud nemáte aplikaci SWC, vaše práce s KEY1/KEY2 přijde vniveč. Majitelé novějších procesorových hlavních jednotek Android, které jsou dodávány jako aplikace SWC pro trh s náhradními díly, mají k dispozici pomoc.
Aplikaci SWC najdete v Obchodě Play zde. Pokud považujete aplikaci za užitečnou pro nastavení SWC/KEY1, zanechte králičí417 recenzi v Obchodě Play za jejich tvrdou práci. Ne všechny hlavní jednotky Androidu budou kompatibilní, takže si na to v recenzi SWC nestěžujte, protože to není chyba aplikace.

Konektor Joying KEY
Pokud máte hlavní jednotku Joying Android s konektorem KEY, existuje několik pokynů pro připojení těchto kabelů velmi specifických pro Joying. Připojení Joying KEY také závisí na vozidle, do kterého je Joying instalován. Pokud potřebujete informace o Joying KEY, přečtěte si náš článek JOYING KEY, kde najdete informace o tom, jak tyto malé černé konektory fungují.














